| 電阻 | 勵磁 | 變比 | 負荷 | 說明 | 接線圖 |
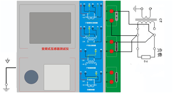
| √ | 測量CT的二次繞組電阻 | 圖1,但一次側可以不接 | |||
| √ | √ | 測量CT的二次繞組電阻、勵磁特性 | 圖1,但一次側可以不接 | ||
| √ | √ | 測量CT的二次繞組電阻,檢查CT變比和極性 | 圖1 | ||
| √ | √ | √ | 測量CT的二次繞組電阻、勵磁特性,檢查CT變比和極性 | 圖1 | |
| √ | 測量CT的二次負荷 | 圖2 |



| 參數 | 描述 | P | TPY | 計量 | PR | PX | TPS | TPX | TPZ |
| 額定一次電流 | 用于計算準確的實際電流比 | √ | √ | √ | √ | √ | √ | √ | √ |
|
額定負荷, 功率因數 |
銘牌上的額定負荷,功率因數為0.8或1 | √ | √ | √ | √ | √ | √ | √ | √ |
| √ | √ | √ | √ | √ | √ | √ | √ | ||
| 額定準確限值系數 | 銘牌上的規定,默認:10。用于計算極限電動勢及其對應的復合誤差 | √ | |||||||
| 額定對稱短路電流系數 | 銘牌上的規定,默認:10。用于計算極限電動勢及其對應的峰瞬誤差 | √ | √ | √ | √ | ||||
| 額定暫態面積系數 | 銘牌上的規定,默認:20 | √ | √ | √ | |||||
| 一次時間常數 | 默認:100ms | √ | √ | √ | |||||
| 二次時間常數 | 默認:3000ms | √ | √ | ||||||
| 工作循環 | C-t1-O或C-t1-O-tfr-C-t2-O,默認:C-t1-O循環 | √ | √ | ||||||
| t1 | 首次電流通過時間,默認:100ms | √ | √ | ||||||
| tal1 | 一次通流保持準確限值的時間,默認:40ms | ||||||||
| tfr | 首次打開和重合閘的延時,默認:500ms。選擇C-t1-O-tfr-C-t2-O循環才顯示 | √ | √ | ||||||
| t2 | 第二次電流通過時間,默認:100ms。選擇C-t1-O-tfr-C-t2-O循環才顯示 | √ | √ | √ | |||||
| tal2 |
二次通流保持準確限值的時間,默認:40ms 選擇C-t1-O-tfr-C-t2-O循環才顯示 |
√ | √ | ||||||
| 額定儀表保安系數 |
銘牌上的規定,默認值:10。 用于計算極限電動勢及其對應的復合誤差 |
√ | |||||||
| 擴大電流標定 ext | 范圍:100%~400%,默認:120% | √ | |||||||
| 額定計算系數 | √ | ||||||||
| 額定拐點電勢Ek | √ | ||||||||
| Ek對應的Ie | √ | ||||||||
| 面積系數 | √ | ||||||||
| 額定Ual | 額定等效二次極限電壓 | √ | |||||||
| Ual對應的Ial | √ |

| 試驗結果 | 描述 | P | TPY | 計量 | PR | PX | TPS | TPX | TPZ | |
| 負荷 | 實測負荷 | 單位:VA,CT二次側實測負荷 | √ | √ | √ | √ | √ | √ | √ | √ |
| 功率因數 | 實測負荷的功率因數 | √ | √ | √ | √ | √ | √ | √ | √ | |
| 阻抗 | 單位:Ω,CT二次側實測阻抗 | √ | √ | √ | √ | √ | √ | √ | √ | |
| 電阻 | 電阻(25℃) | 單位:Ω,當前溫度下CT二次繞組電阻 | √ | √ | √ | √ | √ | √ | √ | √ |
| 電阻(75℃) | ,單位:Ω,折算到75℃下的電阻值 | √ | √ | √ | √ | √ | √ | √ | √ | |
| 勵磁 | 拐點電壓和拐點電流 | 單位:分別為V和A,根據標準定義,拐點電壓增加10%時,拐點電流增加50%。 | √ | √ | √ | √ | √ | √ | √ | √ |
| 不飽和電感 | 單位:H,勵磁曲線線性段的平均電感 | √ | √ | √ | √ | √ | √ | √ | √ | |
| 剩磁系數 | 剩磁通與飽和磁通的比值 | √ | √ | √ | √ | √ | √ | √ | √ | |
| 二次時間常數 | 單位:s,CT二次接額定負荷時的時間常數 | √ | √ | √ | √ | √ | √ | √ | √ | |
| 極限電動勢 | 單位:V,根據CT銘牌和75℃電阻計算的極限電動勢 | √ | √ | √ | √ | √ | √ | |||
| 復合誤差 | 極限電動勢 或額定拐點電勢Ek下的復合誤差 | √ | √ | √ | √ | |||||
| 峰瞬誤差 | 極限電動勢 下的峰瞬誤差 | √ | √ | √ | ||||||
| 準確限值系數 | 實測的準確限值系數 | √ | √ | |||||||
| 儀表保安系數 | 實測的儀表保安系數 | √ | ||||||||
| 對稱短路電流倍數Kssc | 實測的對稱短路電流倍數 | √ | √ | √ | √ | |||||
| 暫態面積系數 | 實際的暫態面積系數 | √ | √ | √ | ||||||
| 計算系數Kx | 實測的計算系數 | √ | ||||||||
| 額定拐點電勢Ek | √ | |||||||||
| Ek對應的Ie | 額定拐點電勢對應的實測勵磁電流 | √ | ||||||||
| 額定Ual | 額定等效二次極限電壓 | √ | ||||||||
| Ual對應的Ial | 額定等效二次極限電壓對應的實測勵磁電流 | √ | ||||||||
| 變比 | 變比 | 額定負荷下的實際電流比 | √ | √ | √ | √ | √ | √ | √ | √ |
| 匝數比 | 被測試的二次繞組與一次繞組的實際匝比 | √ | √ | √ | √ | √ | √ | √ | √ | |
| 比值差 | 額定負荷下的電流誤差 | √ | √ | √ | √ | √ | √ | √ | √ | |
| 相位差 | 額定負荷下的相位差 | √ | √ | √ | √ | √ | √ | √ | √ | |
| 極性 | CT一次和二次的極性關系,有同極性/-(減極性)和反極性/+(加極性)兩種 | √ | √ | √ | √ | √ | √ | √ | √ | |
| 匝比誤差 | 實測匝數比與額定匝比的相對誤差 | √ | √ | |||||||
上一篇:深圳電氣采購湖北儀天成設備 下一篇:回路電阻測試儀的工作原理和使用的方法
719388481